Наша компания производит компенсаторы сильфонные осевые фланцевые КСО.Ф STT с приварными или поворотными фланцами. КСО.Ф — это разновидность компенсатора сильфонного осевого, с единственной разницей в том, что он имеет фланцевое соединение с трубопроводом.
Используют такие компенсаторные устройства чаще всего в следующих случаях:
- Отсутствует возможность выполнить сварные работы;
- Рабочая среда функционирующего трубопровода не позволяет проводить его сварку;
- При необходимости последующего демонтажа, ремонта или обслуживании трубопровода, изменении его структуры и конфигурации.
Технические характеристики компенсаторов КСО.Ф
| Характеристики | Стандарт | Под заказ |
|---|---|---|
| DN, мм | 32-1000 | 15-3000 |
| PN, кгс/см2 | 16-25 | Вакуум-150 |
| Осевой ход, мм | 50-100 | 25-500 |
| Рабочая температура, °С | От – 50 до +427 | От – 250 до +950 |
| Рабочая среда | Пар, газ, вода, нефть, трансформаторное масло, криогенная среда, химическая среда | |
Материалы исполнения деталей:
| Материал исполнения | Стандарт | Под заказ |
|---|---|---|
| Сильфон и внутренний экран | 08Х18Н10Т | 08Х18Н10, 08Х16Н11М3, 08Х17Н13М2Т, 20Х20Н14С2 и др. |
| Патрубки и фланцы | Ст.20, ст. 3сп | 09Г2С, 17Г1С, 08Х18Н10, 08Х16Н11М3, 08Х17Н13М2Т, 20Х20Н14С2 и др. |
| Защитный кожух | Ст.20, ст. 3сп | 09Г2С, 17Г1С, 08Х18Н10, 08Х16Н11М3, 08Х17Н13М2Т, 20Х20Н14С2 и др. |
| Защитный кожух и внутренний экран комплектуются только по запросу. Приварные или поворотные фланцы по желанию “Заказчика”. | ||
Протокол испытаний компенсаторов КСО.Ф
Стандартные типоразмеры компенсаторов КСО.Ф
| Обозначение | PN, кгс/см2 | DN, мм | DxS, мм | Осевая жесткость, кгс/см | Осевой ход, мм |
|---|---|---|---|---|---|
| КСО.Ф SST 32-16-50 | 16 | 32 | 42х3,5 | 280 | 50 |
| КСО.Ф SST 40-16-50 | 16 | 40 | 48х3 | 290 | 50 |
| КСО.Ф SST 50-16-60 | 16 | 50 | 57х4 | 300 | 60 |
| КСО.Ф SST 50-25-60 | 25 | 50 | 57х4 | 330 | 60 |
| КСО.Ф SST 65-16-70 | 16 | 65 | 76х4 | 322 | 70 |
| КСО.Ф SST 65-25-70 | 25 | 65 | 76х4 | 322 | 70 |
| КСО.Ф SST 80-16-70 | 16 | 80 | 89х4 | 296 | 70 |
| КСО.Ф SST 80-25-70 | 25 | 80 | 89х4 | 301 | 70 |
| КСО.Ф SST 100-16-100 | 16 | 100 | 108х4 | 270 | 100 |
| КСО.Ф SST 100-25-100 | 25 | 100 | 108х4 | 263 | 100 |
| КСО.Ф SST 125-16-100 | 16 | 125 | 133х4,5 | 244 | 100 |
| КСО.Ф SST 125-25-100 | 25 | 125 | 133х4,5 | 366 | 100 |
| КСО.Ф SST 150-16-100 | 16 | 150 | 159х4,5 | 326 | 100 |
| КСО.Ф SST 150-25-100 | 25 | 150 | 159х4,5 | 326 | 100 |
| КСО.Ф SST 200-16-160 | 16 | 200 | 219х6 | 291 | 160 |
| КСО.Ф SST 200-25-160 | 25 | 200 | 219х6 | 387 | 160 |
| КСО.Ф SST 250-16-180 | 16 | 250 | 273х7 | 350 | 180 |
| КСО.Ф SST 250-25-180 | 25 | 250 | 273х7 | 350 | 180 |
| КСО.Ф SST 300-16-180 | 16 | 300 | 325х7 | 321 | 180 |
| КСО.Ф SST 300-25-180 | 25 | 300 | 325х7 | 401 | 180 |
| КСО.Ф SST 350-16-180 | 16 | 350 | 377х7 | 400 | 180 |
| КСО.Ф SST 350-25-180 | 25 | 350 | 377х7 | 560 | 180 |
| КСО.Ф SST 400-16-200 | 16 | 400 | 426х8 | 579 | 200 |
| КСО.Ф SST 400-25-200 | 25 | 400 | 426х8 | 725 | 200 |
| КСО.Ф SST 500-16-200 | 16 | 500 | 530х8 | 608 | 200 |
| КСО.Ф SST 500-25-200 | 25 | 500 | 530х8 | 743 | 200 |
Диаметр DN 600-3000 по запросу, также как и давление PN от 25 кгс/см2.
Возможно полное изменение всех технических характеристик по требованиям в проекте “Заказчика”.
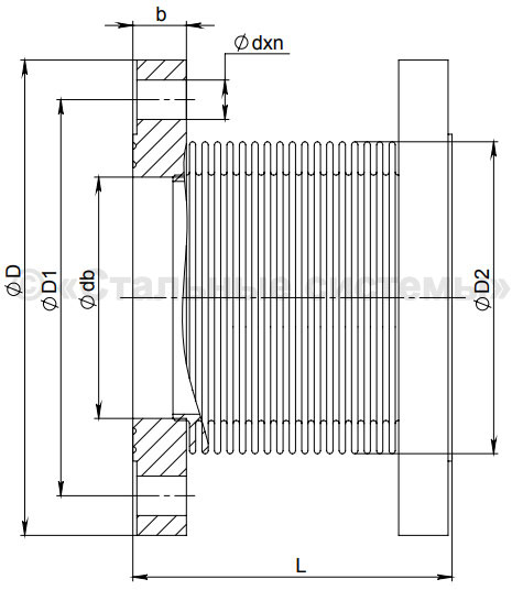
Рабочие чертежи компенсаторов КСО.Ф
Компенсатор сильфонный осевой фланцевый КСО.Ф:

